Zum Hauptinhalt springen Zur Suche springen Zur Hauptnavigation springen
Jetzt Black Friday Preise sichern – es wird nicht mehr günstiger!
Beratung
Sales Contact Image
Verkaufsberatung: 040 76 122 122
Rückrufservice
Tage
Extra gratis Zubehör - automatisch im Warenkorb bei vielen Artikeln

999,00 €

-40%
UVP 1.669,00 €
-40%

inkl. MwSt. | Versandkostenfrei

B-Ware Alpholz Gartenhaus Palermo

Purchase Advice Image
Persönliche Produkt- & Kaufberatung gewünscht Tel: 040 76 122 122
Fragen zum Produkt und extra Deal sichern?
WhatsApp-Beratung und Extra-Deal sichern!
Whatsapp Beratung
Passendes Zubehör zu diesem Produkt
Produktbeschreibung

Hinweis: Dieser Artikel stammt aus einer Kundenretoure und wird nun zu stark vergünstigten Konditionen angeboten.

Bei diesem Artikel konnten wir folgenden Schaden identifizieren:

- Verpackungsschaden

- möglicher Feuchtigkeitsschaden

- möglicher Holzschaden

Artikelinformationen: 

Tauche ein in die Ruhe Deines eigenen Gartens und genieße die Natur ganz ungestört. Unser Gartenhaus Palermo von Alpholz bietet Dir den idealen Rahmen, um vom Alltag abzuschalten und neue Energie zu tanken.

 

inklusive Fussboden aus Nut- und Federbrettern

alle Blockbohlen mit hochwertiger 4-fach Eckausfräsung

Verglasung der Tür aus Echtglas

hochwertige Doppeltür mit Leimholzrahmen

 

Artikeldetails Alpholz Gartenhaus Palermo:

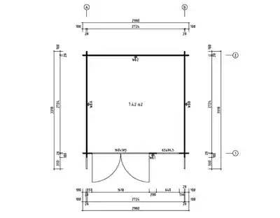
  • Außenmaß mit Dachüberstand: 331 x 331 cm
  • Sockelmaß: 298 x 298 cm
  • Grundfläche: 7,42 m²
  • Seitenwandhöhe: ca. 194 cm
  • Gesamthöhe: ca. 245 cm
  • Rauminhalt: ca. 18,18 m³
  • Dachneigung: 23°
  • Leimholz-Doppeltür: ca. 160 x 185 cm
  • Leimholz-Fenster: ca. 63 x 87 cm
  • Wandstärke: 28 mm
  • Farbe: Naturbelassen

Im Lieferumfang des Gartenhauses enthalten:

  • Gartenhaus Palma
  • Fußboden
  • Schloss und Drückergarnitur
  • Montagematerial
  • Aufbauzeichnung

Wir weisen darauf hin, dass die Dachpappe optional erhältlich ist.

Baupläne & Dokumente
Bewertungen

Durchschnittliche Bewertung von 0 von 5 Sternen

(0)

Durchschnittliche Bewertung von 0 von 5 Sternen

(0 Bewertungen)
Produktdetails
Details:
Wandstärke mm
28
Dachform
Satteldach
Seitenverkehrte Montage
Ja
Fußboden
inklusive
Grundfläche m²
10.96
Raumanzahl
1